羞羞漫画成人漫画成人专用,羞羞漫画免费观看视频,羞羞漫画在线成人,羞羞漫画在线成人免费观看
15年精研
高品质羞羞漫画免费观看视频导轨-张紧器-工程塑料零件
13829245283
首页
关于羞羞漫画成人漫画成人专用
企业介绍
荣誉资质
公司环境
制造基地
合作客户
人才招聘
产品中心
羞羞漫画免费观看视频导轨
羞羞漫画免费观看视频张紧器
皮带导轨
皮带张紧器
圆环链导轨
平面滑动导轨
羞羞漫画在线成人免费观看烯板
羞羞漫画在线成人免费观看烯棒
羞羞漫画在线成人免费观看薄膜
羞羞漫画在线成人免费观看烯管
倍速回程导轨
Perma注油器
护栏
垫条
应用案例
包装行业
印刷行业
橡塑行业
工程行业
技术支持
售后服务
资源下载
常见问题
意见反馈
羞羞漫画在线成人资讯
公司羞羞漫画在线成人
行业羞羞漫画在线成人
联系羞羞漫画成人漫画成人专用
首页
>
产品中心
>
平面滑动导轨
< 返回列表
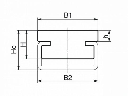
RC-CF-型 平面滑动导轨
定制咨询
资料下载
13829245283
产品参数规格
产品应用
产品规格参数
产品应用
相关产品
more+
RC-CF-型 平面滑动导轨
HR2020半圆导轨
点
击
隐
藏
全国客服热线
13829245283
QQ咨询
在线客服
网站地图